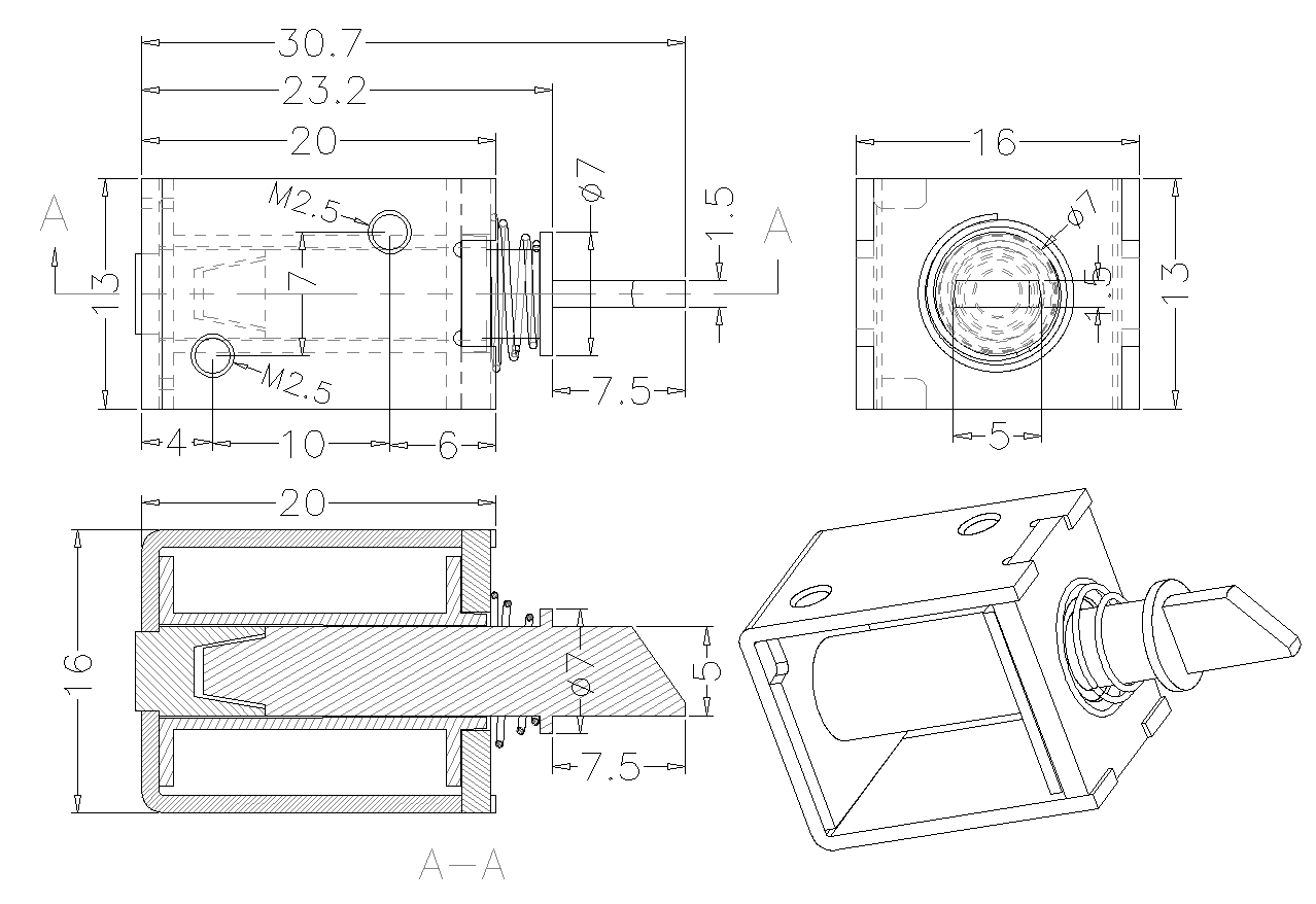
產品簡介:客戶型號(CUSTOMER MODEL): ksj-0520 1、適用范圍:本規格書僅限524V\13A 2、額定參數(RATING PARAMETERS): 2-1 電 壓(VOLTAGE): 524V 2-2 電 流(CURRENT): 13A 2-3 功 率(POWER): 36W(AT DC12V 20℃) 2-4 直流電阻(DC RESIS……
客戶型號(CUSTOMER MODEL): ksj-0520
1、適用范圍:本規格書僅限5—24V\1—3A
2、額定參數(RATING PARAMETERS):
2-1 電 壓(VOLTAGE): 5—24V
2-2 電 流(CURRENT): 1—3A
2-3 功 率(POWER): 36W(AT DC12V 20℃)
2-4 直流電阻(DC RESISTANCE): 4Ω±5%
2-5 工作循環(DUTY CYCLE): 50%通電(power-no25%)NO 1S MAX
2-6 絕緣等級(INSULATION CLASS): A類(A CLASS)
電氣特性(ELECTRICAL CHARACTERISTICS)
3-1 絕緣電阻 線圈與外殼間100MΩ(DC500V 常規溫度/濕度)
3-2 耐 壓 線圈與外殼間100MΩ AC500V(50/60Hz)1Min
3-3 溫 升 AT DC24V 溫升65℃Max
3-4 壽 命 典型值10萬次,持續間歇通電(AT 125VDC NO/OFF 1Sec)
3-5 端子強度 施加0.5Kgf(任意方向),不允許脫落
3-6 工作溫度、濕度 -25℃-80℃ 5%RH-85%RH


